Produktinformationen
-
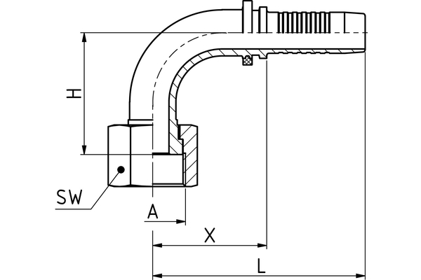
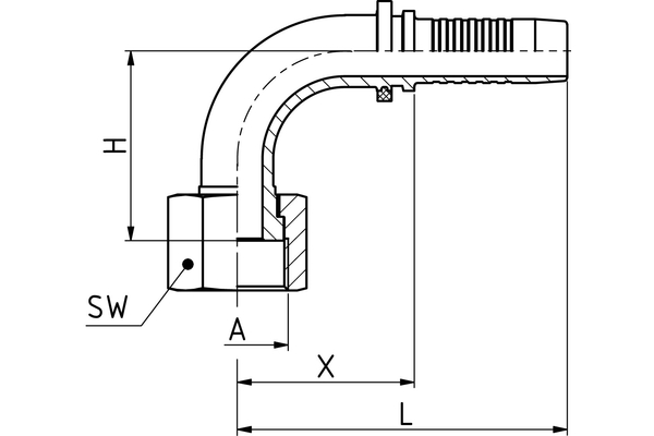
Technische Daten
DN: 06 Size: 04 Zoll: 1/4 Gewinde + Norm: ORFS-Dichtform mit Überwurfmutter, UN-/UNF-/UNS-Gewinde Anschluss-Gewinde A: 9/16"-18 UNF X [mm]: 33,0 L1 [mm]: 59,5 H [mm]: 24,0 SW1 [mm]: 17 Anschlussart: ORFS 90° mit Überwurfmutter Anschlussbezeichnung Indunorm: LORF 90° Armaturenreihe: Universalprogramm XV Bauform: 90° Beständigkeit gegen Rotrost [h]: 144 Beständigkeit gegen Weissrost [h]: 72 Material: Automatenstahl Oberfläche: Cr3

