Produktinformationen
-
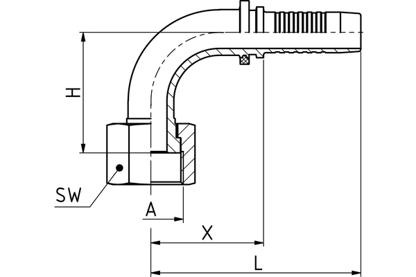
Technische Daten
DN: 08 Size: 05 Zoll: 5/16 Gewinde + Norm: ORFS-Dichtform mit Überwurfmutter, UN-/UNF-/UNS-Gewinde Anschluss-Gewinde A: 11/16"-16 UN X [mm]: 36,0 L1 [mm]: 62,5 H [mm]: 27,0 SW1 [mm]: 22 Anschlussart: ORFS 90° mit Überwurfmutter Anschlussbezeichnung Indunorm: LORF 90° Armaturenreihe: Universalprogramm XV Bauform: 90° Beständigkeit gegen Rotrost [h]: 144 Beständigkeit gegen Weissrost [h]: 72 Material: Automatenstahl Oberfläche: Cr3

