Produktinformationen
-
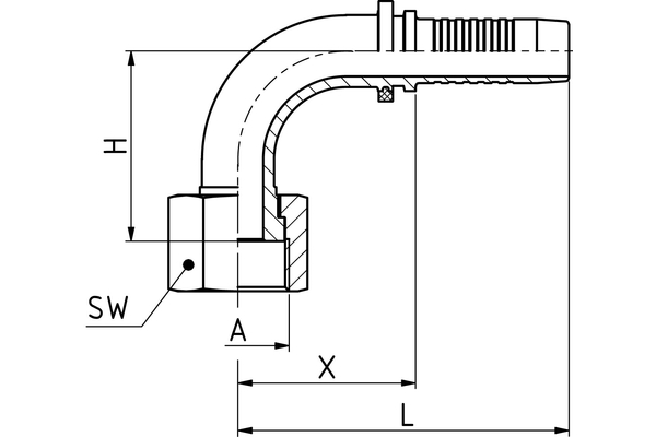
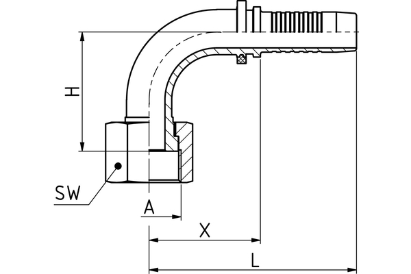
Technische Daten
DN: 10 Size: 06 Zoll: 3/8 Gewinde + Norm: ORFS-Dichtform mit Überwurfmutter, UN-/UNF-/UNS-Gewinde Anschluss-Gewinde A: 11/16"-16 UN X [mm]: 37,0 L1 [mm]: 70,5 H [mm]: 37,0 SW1 [mm]: 22 Anschlussart: ORFS 90° mit Überwurfmutter Anschlussbezeichnung Indunorm: LORF 90° Armaturenreihe: Universalprogramm XV Bauform: 90° Beständigkeit gegen Rotrost [h]: 144 Beständigkeit gegen Weissrost [h]: 72 Material: Automatenstahl Oberfläche: Cr3

