Produktinformationen
-
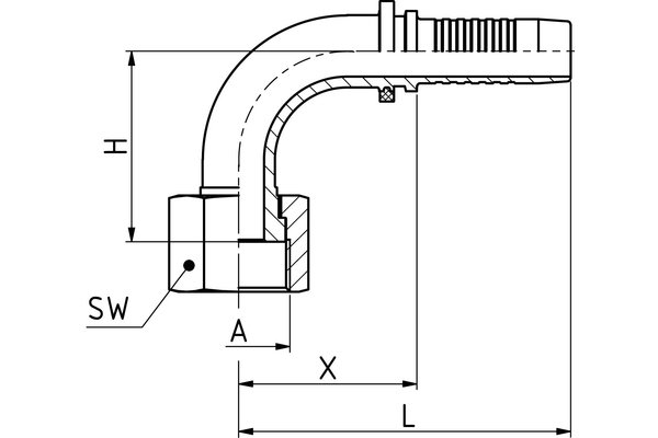
Technische Daten
DN: 25 Size: 16 Zoll: 1 Gewinde + Norm: ORFS-Dichtform mit Überwurfmutter, UN-/UNF-/UNS-Gewinde Anschluss-Gewinde A: 1"7/16-12 UN X [mm]: 72,0 L1 [mm]: 126,3 H [mm]: 63,0 SW1 [mm]: 41 Anschlussart: ORFS 90° mit Überwurfmutter Anschlussbezeichnung Indunorm: LORF 90° Armaturenreihe: Universalprogramm XV Bauform: 90° Beständigkeit gegen Rotrost [h]: 144 Beständigkeit gegen Weissrost [h]: 72 Material: Automatenstahl Oberfläche: Cr3

