Produktinformationen
-
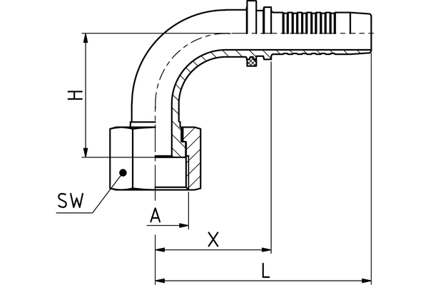
Technische Daten
DN: 38 Size: 24 Zoll: 1.1/2 Gewinde + Norm: ORFS-Dichtform mit Überwurfmutter, UN-/UNF-/UNS-Gewinde Anschluss-Gewinde A: 2"-12 UN X [mm]: 82,3 L1 [mm]: 150,0 H [mm]: 81,3 SW1 [mm]: 60 Anschlussart: ORFS 90° mit Überwurfmutter Anschlussbezeichnung Indunorm: LORF 90° Armaturenreihe: Universalprogramm XV Bauform: 90° Beständigkeit gegen Rotrost [h]: 144 Beständigkeit gegen Weissrost [h]: 72 Material: Automatenstahl Oberfläche: Cr3

