Produktinformationen
-
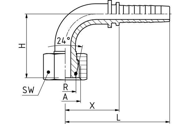
Technische Daten
DN: 6 Size: 04 Zoll: 1/4" Gewinde + Norm: Dichtkegel mit O-Ring nach DIN 3865 (passend für Stutzen 24° nach DIN 3901 und 3902), Überwurfmutter, leichte Reihe Rohr-Ø R [mm]: 10 H [mm]: 27,0 d [mm]: 4,0 Pipe E [mm]: 10 T: M16x1,5 E [mm]: 19 C [mm]: 28,0 L [mm]: 53,0 Anschlussart: DKOL 90° Anschlussbezeichnung Indunorm: MSOF 90° Armaturenreihe: VC Bauform: 90° Material: Automatenstahl Oberfläche: CrIII

