Produktinformationen
-
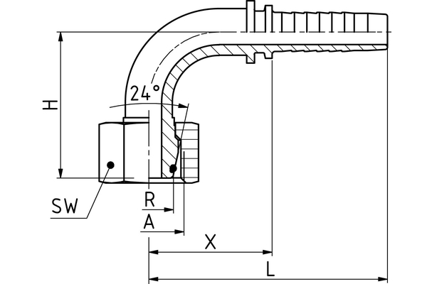
Technische Daten
DN: 8 Size: 05 Zoll: 5/16" Gewinde + Norm: Dichtkegel mit O-Ring nach DIN 3865 (passend für Stutzen 24° nach DIN 3901 und 3902), Überwurfmutter, leichte Reihe Rohr-Ø R [mm]: 10 H [mm]: 33,0 d [mm]: 5,5 Pipe E [mm]: 10 T: M16x1,5 E [mm]: 19 C [mm]: 31,0 L [mm]: 57,5 Anschlussart: DKOL 90° Anschlussbezeichnung Indunorm: MSOF 90° Armaturenreihe: VC Bauform: 90° Material: Automatenstahl Oberfläche: CrIII

