Produktinformationen
-
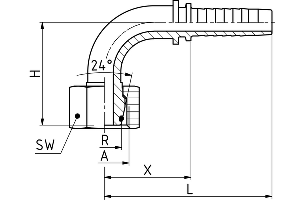
Technische Daten
DN: 6 Size: 04 Zoll: 1/4" Gewinde + Norm: Dichtkegel mit O-Ring nach DIN 3865 (passend für Stutzen 24° nach DIN 3901 und 3902), Überwurfmutter, leichte Reihe H [mm]: 33,0 d [mm]: 4,0 T: M18x1,5 SW1 [mm]: 22 E [mm]: 22 C [mm]: 29,0 L [mm]: 57,0 Anschlussart: DKOL 90° Anschlussbezeichnung Indunorm: MSOF 90° Armaturenreihe: VC Bauform: 90° Material: Automatenstahl

