Produktinformationen
-
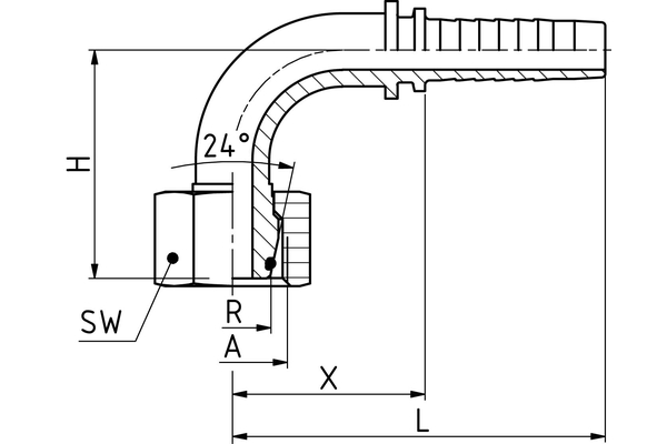
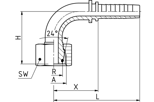
Technische Daten
DN: 10 Size: 06 Zoll: 3/8" Gewinde + Norm: Dichtkegel mit O-Ring nach DIN 3865 (passend für Stutzen 24° nach DIN 3901 und 3902), Überwurfmutter, leichte Reihe Rohr-Ø R [mm]: 15 H [mm]: 38,0 d [mm]: 7,0 Pipe E [mm]: 15 T: M22x1,5 E [mm]: 27 C [mm]: 30,5 L [mm]: 60,5 Anschlussart: DKOL 90° Anschlussbezeichnung Indunorm: MSOF 90° Armaturenreihe: VC Bauform: 90° Material: Automatenstahl Oberfläche: CrIII

