Produktinformationen
-
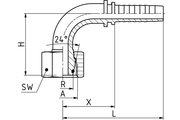
Technische Daten
DN: 25 Size: 16 Zoll: 1" Gewinde + Norm: Dichtkegel mit O-Ring nach DIN 3865 (passend für Stutzen 24° nach DIN 3901 und 3902), Überwurfmutter, leichte Reihe Rohr-Ø R [mm]: 28 H [mm]: 58,0 d [mm]: 20,0 Pipe E [mm]: 28 T: M36x2 E [mm]: 41 C [mm]: 72,0 L [mm]: 125,5 Anschlussart: DKOL 90° Anschlussbezeichnung Indunorm: MSOF 90° Armaturenreihe: VC Bauform: 90° Material: Automatenstahl Oberfläche: CrIII

