Produktinformationen
-
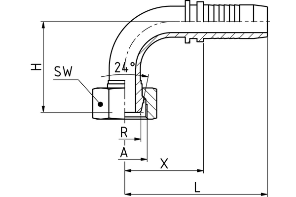
Technische Daten
DN: 38 Size: 24 Zoll: 1 1/2" Gewinde + Norm: Dichtkegel mit Überwurfmutter, leichte Reihe Anschluss-Gewinde A: M 52 x 2 Rohr-Ø R [mm]: 42 X [mm]: 104 H [mm]: 100 SW1 [mm]: 60 Anschlussart: DKL 90° Anschlussbezeichnung Indunorm: MSF 90° Armaturenreihe: XP-VA Bauform: 90° Grad: 90 Material: Edelstahl 1.4571

