Produktinformationen
-
Technische Daten
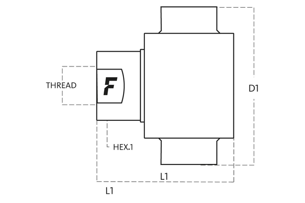
DN: 20 Size: 12 Betriebsdruck [bar]: 350 Gewinde + Norm: NPT Innengewinde ANSI B1.20.3 Anschluss-Gewinde [GA]: 3/4" Außen-Ø Muffe [mm]: 55,0 Länge Muffe [mm]: 72,2 SW [mm]: 32 SW1 [mm]: 32 l/min bei ΔP=2 bar: 120 Beständigkeit gegen Rotrost [h]: 500 Einsatzgebiet: 500 Muffe oder Stecker: Muffe Oberfläche: Mate 500 (Chrom III) Temperaturbereich [°C]: -25 °C bis 100 °C Werkstoff Dichtung: NBR & PUR Werkstoff Gehäuse: Stahl

