Produktinformationen
-
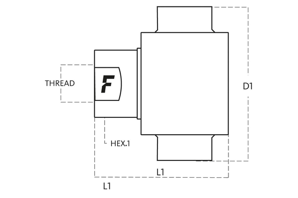
Technische Daten
DN: 38 Size: 24 Betriebsdruck [bar]: 350 Gewinde + Norm: NPT Innengewinde ANSI B1.20.3 Anschluss-Gewinde [GA]: 1.1/2" Außen-Ø Muffe [mm]: 147,0 Länge Muffe [mm]: 127,1 SW [mm]: 55 SW1 [mm]: 55 l/min bei ΔP=2 bar: 330 Beständigkeit gegen Rotrost [h]: 500 Einsatzgebiet: 500 Muffe oder Stecker: Muffe Oberfläche: Mate 500 (Chrom III) Temperaturbereich [°C]: -25 °C bis 100 °C Werkstoff Dichtung: NBR & PUR Werkstoff Gehäuse: Stahl

