Produktinformationen
-
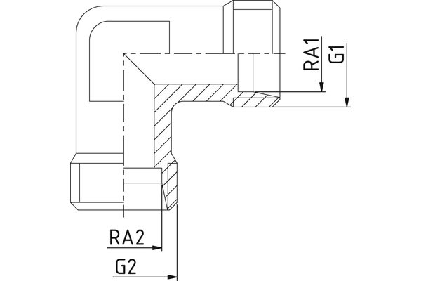
Technische Daten
Berstdruck [bar]: 3200 Rohr-Ø [R1] [mm]: 10 Rohr-Ø [R2] [mm]: 10 Gewinde [G1]: M18x1,5 Gewinde [G2]: M18x1,5 Anschlussart 1: Metrisch 24° Anschlussart 2: Metrisch 24° Bauform: Winkel 90° Beständigkeit gegen Rotrost [h]: 1000 Beständigkeit gegen Weissrost [h]: 500 Material: Edelstahl 1.4571 Oberfläche:

