Produktinformationen
-
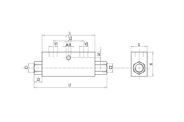
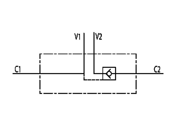
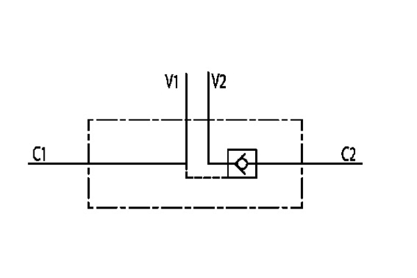
Technische Daten
DN: 6 Betriebsdruck [bar]: 350 Gewinde + Norm: BSP L1 [mm]: 113 Gewinde [G1]: 1/4" Gewinde [G2]: 1/4" Befestigungs-gewinde: 1/4" L Gewicht [kg]: 0,612 L1 [mm]: 106,5 max. Durchflussmenge [ltr / min]: 20 Öffnungsdruck [bar]: 4 H [mm]: 40 Entsperrverhältnis: 1:5,5 V1-V2 C1-C2 [GAS - MET]: G 1/4" L L [mm]: 64 S [mm]: 30 L2 [mm]: 36 L3 [mm]: 18,5 L4 [mm]: 8

